·采用分段定子技术,可获得更高的转矩惯量比,与SM电机相比可提高30%的转矩;
·采用定子密封技术,提高电机的热效率,温升较上代产品更低;
·全新的产品结构设计,降低产品的转矩波动及齿槽转矩;
·可提供10极转子,齿槽转矩为原8极产品的1/8,运行更平稳、噪音更低
·可提供磁性编码器、旋变、绝对值及增量型光电编码器的便捷选择

·采用分段定子技术,可获得更高的转矩惯量比,与SM电机相比可提高30%的转矩;
·采用定子密封技术,提高电机的热效率,温升较上代产品更低;
·全新的产品结构设计,降低产品的转矩波动及齿槽转矩;
·可提供10极转子,齿槽转矩为原8极产品的1/8,运行更平稳、噪音更低
·可提供磁性编码器、旋变、绝对值及增量型光电编码器的便捷选择
| 电机型号 Parameter | SM180 | |||||||||||||||
-09620P5 | -14320P5 | -16720P5 | -19115P5 | -28715P5 | ||||||||||||
| 额定功率 Rated power (KW) | 2.0 | 3.0 | 3.5 | 3.0 | 4.5 | |||||||||||
| 额定运行电压 Rated Voltage (3Φ VAC) | 220 | 220 | 220 | 220 | 220 | |||||||||||
| 额定电流 Rated Current(A) | 11.22 | 16.1 | 19.2 | 19.4 | 32.5 | |||||||||||
| 额定转速 Rated Speed (rpm) | 2000 | 2000 | 2000 | 1500 | 1500 | |||||||||||
| 额定转矩 Rated Torque(N.m) | 9.55 | 14.32 | 16.71 | 19.10 | 28.65 | |||||||||||
| 峰值转矩 Peak Torque(N.m) | 28.65 | 42.97 | 50.13 | 57.29 | 71.62 | |||||||||||
| 反电势常数 Voltage constant(V/Krpm) | 54.0 | 55.0 | 55.0 | 61.0 | 56.0 | |||||||||||
| 转矩常数 Torque constant(N.m/A) | 0.85 | 0.89 | 0.89 | 0.98 | 0.88 | |||||||||||
| 转子惯量 Rotor Inertia(×10-4 Kg.㎡) | 34.68 | 54.95 | 54.95 | 54.95 | 77.75 | |||||||||||
| 电子时间常数 Electrical time constant(ms) | 23.87 | 26.39 | 26.39 | 16.5 | 27.8 | |||||||||||
| 电机重量 Motor weight(KG) | 19.5 | 19.7 | 20.5 | 20.8 | 21.3 | |||||||||||
| 编码器线数 Encoder resolution(PPR) | 2500 | 2500 | 2500 | 2500 | 2500 | |||||||||||
| 绝缘等级 Insulation Class | F | F | F | F | F | |||||||||||
| 防护等级 Protection Class | IP65 | IP65 | IP65 | IP65 | IP65 | |||||||||||
| 使用环境要求 Service environment | 环境温度:-20~+50°C 环境湿度:相对湿度<90% (无结霜) Operating ambient temperature: -20~+50°C Operating ambient humldity: Below 90% RH, No Freezing | |||||||||||||||
| 绕组航插定义 Power Plugs definition | 管脚功能 Pin function | U | V | W | PE | |||||||||||
| 管脚编号 Pin number | 2 | 3 | 4 | 1 | ||||||||||||
| 编码器航插定义 Signal Plugs definition | 管脚功能 Pin function | 5V | 0V | T+ | NC | NC | T- | NC | NC | NC | NC | NC | NC | NC | NC | PE |
| 管脚编号 Pin number | 2 | 3 | 4 | 5 | 6 | 7 | 8 | 9 | 10 | 11 | 12 | 13 | 14 | 15 | 1 | |
| 航插规格 Plug model | 绕组插件型号:YD28J4Z 编码器插件型号:YD28J15Z Power plugs model:YD28J4Z Signal plugs model: YD28J15Z | |||||||||||||||
以上产品可按客户要求进行出轴规格、信号反馈元件类别、参数及相关配件定制。
Aboue Products can be customized according to customer requirement.
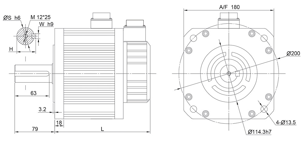
Item\Model | SM180 | ||||
-09620P5 | -14320P5 | -16720P5 | -19115P5 | -28715P5 | |
L(mm) | 169 | 202 | 202 | 212 | 236 |
S(mm) | 35 | 35 | 35 | 35 | 35 |
H(mm) | 38 | 38 | 38 | 38 | 38 |
W(mm) | 10 | 10 | 10 | 10 | 10 |

1. 安装或拆卸电机时,不得敲击电机及转轴,以免损坏编码器;
2. 尽量防止轴座的振动,以免损坏轴承;
3. 电机与驱动器须正确可靠连接,以免损坏电机和编码器;
4. 装配时,须确保电机轴和负载轴同心,以免损坏电机。
1.Never hit the servo motor or shaft,especially when coupling or disassembly theservo motor to machine,the encoder may become faulty.
2.Striving to make the best of its shaft to prevent vibration and bearing damage.
3.The motor and amolifier must be connected to be correct and reliable, so as not to damage motor and encoder.
4.When installing the motor, must ensure that the motor shaft and load shaft concentric, so as not to damage the motor and encoder.






